В плане-конспекте рассмотрены следующие вопросы:
- Силы и средства пожарной охраны.
- Классификация пожарных автомобилей.
- Виды пожарных подразделений.
- Тактические возможности подразделений.
- Тактические показатели и их определение.
- Тактические возможности пожарных подразделений при использовании СИЗОД.
- Тактические возможности пожарных подразделений по развертыванию сил и средств.
- Тактические возможности пожарных подразделений по вскрытию и разборке конструкций.

План-конспект: Тактические возможности подразделений по тушению пожаров и ликвидации ЧС (31 стр.)
Силы и средства пожарной охраны
Силы и средства пожарной охраны – это личный состав пожарной охраны, пожарная техника, средства связи и управления, огнетушащее вещество и иные технические средства, находящиеся на вооружении пожарной охраны.
Силы пожарной охраны включают личный состав органов управления и подразделений пожарной охраны, иных противопожарных формирований независимо от их ведомственной принадлежности и форм собственности, в том числе курсантов и слушателей пожарно-технических образовательных учреждений.
К средствам пожарной охраны относят:
- пожарные машины, в том числе приспособленные для целей пожаротушения автомобили;
- пожарно-техническое вооружение и пожарное оборудование;
- средства индивидуальной защиты органов дыхания и зрения (СИЗОД);
- огнетушащее вещество (ОТВ);
- аварийно-спасательное оборудование и техника;
- системы и оборудование противопожарной защиты предприятий;
- системы и устройства специальные связи и управления;
- медикаменты, инструменты и оборудование для оказания первой доврачебной помощи пострадавшим на пожаре;
- иные средства, вспомогательная и специальная техника.
Классификация пожарных автомобилей
Рассмотрим следующие виды пожарных автомобилей в зависимости от назначения: основные, специальные и вспомогательные.
Каждый из видов пожарных автомобилей предназначены для выполнения отдельных функций во время тушения пожара:
1. Основные. Служат для транспортировки к месту чрезвычайной ситуации (пожара) пожарных, воды или других огнетушащих веществ для тушения пожара и исполнение задач по назначению. В свою очередь данная группа делится на автомобили:
Общего применения – для тушения пожаров в жилом и промышленном секторе городов и населенных пунктов (пожарные автоцистерны, пожарные насосы, насосно-рукавные автомобили, пожарные автомобили первой помощи).
Автомобили целевого применения, приспособленные для тушения пожаров на производственных объектах, в производстве которых могут использоваться вещества, тушение которых необходимо производить специальными огнетушащими составами, ведомственных объектах химической, нефтедобычи и нефтеперерабатывающей промышленности (автомобили воздушно-пенного тушения, порошкового, газоводяного, комбинированного тушения, насосная станция и др.).
2. Специальные. Служат для обеспечения специальных работ на пожаре (автолестницы и коленчатые подъемники, автомобили газодымозащитной службы, дымоудаления и др.).
3. Вспомогательные. Это автомобили, к которым относятся транспортные средства для обслуживания пожарных автомобилей, доставки личного состава, пожарной, специальной и аварийно-спасательной техники МЧС России (топливозаправщики, передвижные автомастерские, лаборатории, автобусы, бензовозы и др.).
Виды пожарных подразделений
Главной и решающей силой в выполнении задач по локализации и ликвидации горения является личный состав пожарных подразделений. В пожарные подразделения входят отделения и караулы. Четыре караула составляют пожарную часть, несколько частей – отряд, несколько отрядов (частей) – входят в состав пожарно-спасательного гарнизона.
Отделение на пожарной автоцистерне или автонасосе – первичное тактическое подразделение, способное самостоятельно выполнять отдельные задачи по спасению людей, материальных ценностей и тушению пожара.
Караул в составе двух или более отделений на основных пожарных автомобилях – это основное тактическое подразделение пожарной охраны, способное самостоятельно решать задачи по спасению людей, материальных ценностей и тушению пожара в соответствии со своими тактическими возможностями.
Тактические возможности подразделений
Тактические возможности пожарных подразделений тесно связаны состоянием их боеготовности и боеспособности.
Тактические возможности пожарного подразделения – это способность (возможность) выполнять определенный объем работ на пожаре за конкретный промежуток времени.
Тактические возможности зависят:
- от назначения подразделения;
- численности пожарного расчета и степени подготовленности личного состава;
- тактико-технических характеристик пожарного вооружения;
- табеля положенности пожарного технического вооружения;
- обстановки на пожаре.
В гарнизонах пожарной охраны технические возможности серийных пожарных автомобилей могут улучшаться путем их совершенствования, внедрения рационализаторских предложений, комплектации дополнительным специальным оборудованием.
На автоцистерне
Отделения на автоцистернах, имея запас воды и пенообразователя, не устанавливая автомобиль на водоисточник, могут подъехать непосредственно к месту пожара и подать водяные или пенные стволы для тушения, а также принять меры по обеспечению и проведению спасательных работ, предотвращению взрывов или обрушений конструкций и аппаратов, сдерживанию распространения огня на решающем направлении до введения сил и средств других подразделений. Время, в течение которого отделение обеспечит подачу огнетушащих средств, зависит от схемы развертывания сил и средств (рис. 1).

Рис. 1. Схемы развертывания сил и средств отделения на автоцистерне без установки на водоисточник
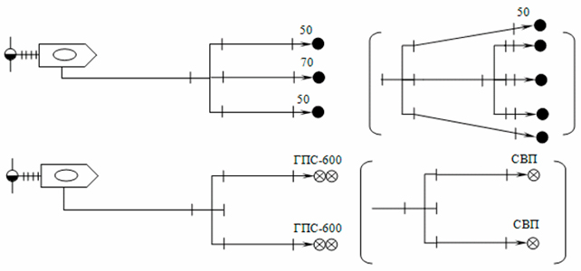
При установке автоцистерн на водоисточник тактические возможности отделений значительно возрастают, и они способны обеспечить непрерывную работу двух стволов «А», одного «А» и двух «Б», четырех стволов «Б» или двух генераторов пены средней кратности ГПС-600 в течении длительного времени (при условии пополнения запаса пенообразователя) (рис. 2).

Рис. 2. Схемы развертывания сил и средств отделения на автоцистерне с установкой на водоисточник
На автонасосе
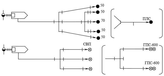
Отделения, вооруженные автонасосом или насосно-рукавными автомобилями, как правило, выполняют на пожарах те же действия, что и отделения на автоцистернах, однако объем этих работ значительно больше. Это обусловлено численностью пожарного расчета, большим по сравнению с автоцистерной запасом пенообразователя, пожарных рукавов и другого пожарно-технического вооружения, необходимого для выполнения работ на пожарах. Возможные варианты развертывания сил и средств пожарного отделения на автонасосе с установкой на водоисточник схематично представлены на рис. 3.

Рис. 3. Схемы развертывания сил и средств отделения на автонасосе с установкой на водоисточник
Караула
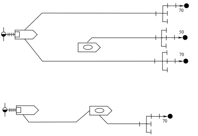
Выбор варианта взаимодействия зависит от обстановки на пожаре, натренированности личного состава пожарных расчетов и других факторов. Объем работ, выполняемый караулом, складывается из тактических возможностей отделений, входящих в его состав. При этом каждое отделение решает свою задачу, которая является частью общей задачи, стоящей перед караулом. Возможные варианты взаимодействия отделений в составе караула схематично представлены на рис. 4.

Рис. 4. Схемы взаимодействия отделений в составе караула
Тактические показатели и их определение
Руководитель тушения пожара (РТП) должен не только знать возможности подразделений, но и уметь определять основные их тактические показатели:
- количество одновременно подаваемых стволов;
- предельное расстояние прокладки магистральной рукавной линии;
- время работы водяных и пенных стволов;
- возможную площадь тушения пожара;
- возможные объемы тушения пенами;
- схемы подачи огнетушащих веществ.
ВНИМАНИЕ!!! Вы ознакомились с фрагментом материала по теме. Полный план-конспект на 31 листе доступен по кнопке «Скачать файл».